8557SX

8557SX Planar
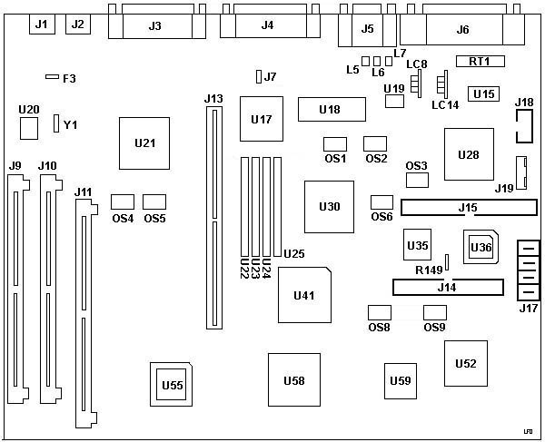
F3 Keyboard / Mouse fuse
J1 Mouse
J2 Keyboard
J3 Parallel Port
J4 DB25 Serial
J5 HDD-15 Video
J6 C60 External SCSI port
J7 Password-override
J9-J11 72 pin SIMM sockets
J13 Bus-adapter connector
J14 Floppy Connector
J15 SCSI connector
J17 Power-supply connector P1
J18 Control-assembly connector 
J19 Power-supply connector P2 
L5-L7 Filter for Video output?
LC8, LC14 ??
OS1 28.3220 MHz
OS2 41.5390 MHz
OS3 32.0000 MHz
OS4 22.1184 MHz
OS5 14.3181 MHz
OS6 25.1750 MHz
OS8 40.0000 MHz
OS9 24.0000 MHz
R149 Transorb
RT1 Resistor Termpack
U15 Sony CXK58267AM-12L
U17 85F0120
U18 Inmos IMSG171P-50
U19 Dallas DS1210S
U20 Dallas DS1285Q
U21 91F7490
U22-U25 VRAM
U28 64F4760
U30 84F7985
U35 Siemens 8032B-16
U36 92F1211
U41 387SX 120 pin socket
U52 82077AA
U55 92F1600
U58 92F1495
U59 80386SX-20
Y1 32.768 KHz

U22-U25 Toshiba TC511665Z-80H 40 pin ZIP VRAM Functionality

J7 has a little sticker over it that says "J18"

Memory Limits
   This planar has a 16MB limit because of the 386SX processor.

8557SX Bus Adapter

   If you have a fantasy about swapping a Lacuna riser and planar into your 57SX, forget it. The Lacuna riser has two mounting slots where the screws are both horizontal, while the 57 has a vertical screw and a horizontal screw. The lacuna mounting holes at the front don't match.

Dotted area on J1- solder pads for a BVE segment

J10- Solder pads for a 16 pin header

J2 AVE slot

VRAM Functionality?
> This one has actual sockets installed though, not empty pads...?

   Yeah - most have them ... and they are somewhat connected to the video-chip glue logic on the planar. But basically they are non-functional. If you look on the board you will find the same old boring Inmos RamDAC as on the Mod. 50/60 55/65 70/80, with limited bandwidth. Just enough for standard-VGA or 320x200 / 256 colors CGA mode. And - as said: the machine lacks the video modes in its BIOS AFAIK.

Some of the later Greenock-variants of the 8556/8557 planar even lack these sockets and have only soldering spots. That was what my comment refered on.

You might however try to install some chips there for 512K and see if you can enable the mode 2Eh - that's 640 x 480 / 256 colors from a 256K palette at 60Hz vertical / 31.5 KHz horizontal. The system should choke out at Mode 12h ( 640 x 480 / 16 out of 256K, 60Hz / 31.5 KHz) and 13h respectively (320 x 200 / 256 out of 256K, 70Hz / 31.5KHz).

Very friendly greetings from Peter in Germany
http://members.aol.com/mcapage0/mcaindex.htm
 
 

9595 Main Page