M-ACPA

@6e6c.adf

Installing the M-ACPA  under Win95 (NOT on my site you don't!)

6E6C ACPA  (ACPA Rev. A)

6E6C ACPA  (ACPA Rev. B)

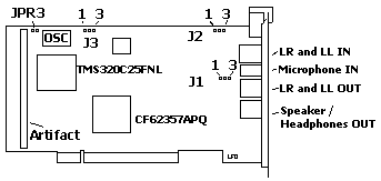
Artifact  There is a long double row of soldering spot with 60 pins.  What was that intended for ? A SCSI-Interface ? A card-connector for a Wavetable daughter-card ? It is missing on the Ultimedia ACPA, which is functionally identical and has the same chips.

JMP3- Leave jumpered. Why this is, I don't know.
Peter sez-
   Did you notice the 40-pin double pin row solder spots on that card ? As far as I recall it was intended to add some more stuff to this card ... and this jumper seems to be an artifact from that stage of developement as well. Open the jumper - and the system hooks with the ACPA installed.

J1  This is where you can hook up your CD Rom Audio cable.
1 = GND
2 = CD Audio R
3 = CD Audio L

J2 AUX
1 = GND
2 = AUX In R
3 = AUX In L

Idle Hands (Brad Parker)
   I know Audiovation sounds really good, and specs out good to, but I'm working on an audio related project that needs to run under Linux, so the ACPA series cards are my only real choice, unless you know of a OSS compatible Audiovation driver for Linux.
   I Looked at both the M-ACPA/A and ARPA audio stages tonite and they are functionally identical (Think you said that on your page).
   Four small transistors near the center are for the Microphone gain stage and are probably acting as an impedance matching circuit, the two small transistors near the top act as buffers for the line in stage.
  Three additional gain blocks are made up of the three quad operational amplifiers marked TL084C, the C being CMOS. These are low noise, hi impedence devices that use bi-fet transistor technology internally. Each TL084 contains four Op-Amp devices. Generally they sound good and
can be considered an "upgrade" part.
   The "speaker" outputs, and I use that term loosely, are powered by two LM386 power Op-Amps. They will drive headphones, but are not known for their fidelity. They could be bypassed, yeilding a second set of line outputs. I'll poke around with an osciliscope but I think the spot where the inputs come in through the coupling capacitors, marked C35 and C36 on M-ACPA and C15 and C17 on ARPA, looks likely.
   I just noticed that ARPA only has 3 voltage regulators, while M-ACPA has 4. The LM 317 and LM 337 imply a dual rail power supply with a positive and a negative rail on the M-ACPA, while ARPA appears single ended. This could mean that M-ACPA has more dynamic range, greater output levels and less TIM distortion than ARPA. The 317/337 pair are adjustable, so I don't know what their output voltage is, but if I designed the thing, I'd tap the +/- 12 volt and regulate it 10 or 11 volts.

Further Devil's Playground
   Been looking at the IBM ACPA source very carefully, trying to figure out how it works. I have noticed many very interesting details. Here's what  I think I know:
   ACPA works a lot like Mwave, in that there is a TI DSP that it is loaded with an operating system (ACPA OS?). This indicates that Mwave followed IBM's usual evolutionary, not revolutionary model.
   The ACPA OS runs the programs that play, record and loopback. Dave Weis ported the OS and it loads and runs the playback program he also ported. There is only 8K of memory on it, so I don't think a Soundblaster emulation like Mwave's is possible. I'm going to add record capability
by porting the record program module.
   The card dosen't use interrupts, it reads and writes directly to I/O ports, MCA superiority at work. Looks like it can be treated as a block device which means that direct DAT record/playback (ala SGI) is possible. That's a job for whoever supports the mt utility. 
   The ACPA supports just about every sample rate I can think of, including a 48K professional format that was used with M-motion and would probably work with DAT and ADAT. ACPA also supports a mono 88K rate, which would make very good quality recordings. The only major one missing is the current 96K fad. Of course we are only recording with 16 bit resoulution, not 20 or 24 bit like the modern stuff. Then again, they have to down convert to put it on a 16 bit CD. I read on the Pro Audio NG that bit rate and sample rate conversion is a big pain. The concensus there is to record at the sample rate and resolution of your target media, 16 bit 44.1 Khz, or for commercial reproduction, 16 bit 48 Khz
   I think the most interesting thing I found out is that the original IBM driver supports up to 4 ACPAs concurrently! Keeps track of the seperate stereo audio streams and everything. Very nice for my purposes. Don't think OS/2 every took advantage of that. Hopefully the Linux stuff will
work out that way :-)
   If I can pull this off, I'm going to attempt a port for Audiovation. I finally got a copy of the Mwave developer's kit. It's very Win 3.XX orientated, but the Soundblaster emulator might be ported to work with Linux directly, without all the dual boot monkey business that goes on now.



6E6C ACPA  (Ultimedia Rev. C)

J2
1 = CD Audio In R
2 = GND
3 = GND
4 = CD Audio In L

P4   = Multimedia Frontpanel (undocumented)
 
 

Audio Capture/Playback Adapter/A Option Disk

IBM M-ACPA Win. driver Corrective Serv.
M-Audio Capture Drivers and APIs 1 of 2
M-Audio Capture Drivers and APIs 2 of 2
M-Audio Capture Drivers Docs
M-Audio Support files for Windows 3.1
Drivers for Audio Capture/Playback
Readme file for macpaopt.exe

Audio Main Page

9595 Main Page